2016年brusatori工厂上海欧航中国区销售

brusatori电机、brusatori马达、brusatori泵、brusatori配件
上海航欧销售brusatori电机,brusatori马达
brusatori电机,brusatori马达brusatori泵brusatori配件
Italiantechnology,since1953tilltodayon.
上海航欧机电设备有限公司从事进口机电设备、仪器仪表等疑难备品备件的销售,是经营世界各地进口设备的现代化企业。


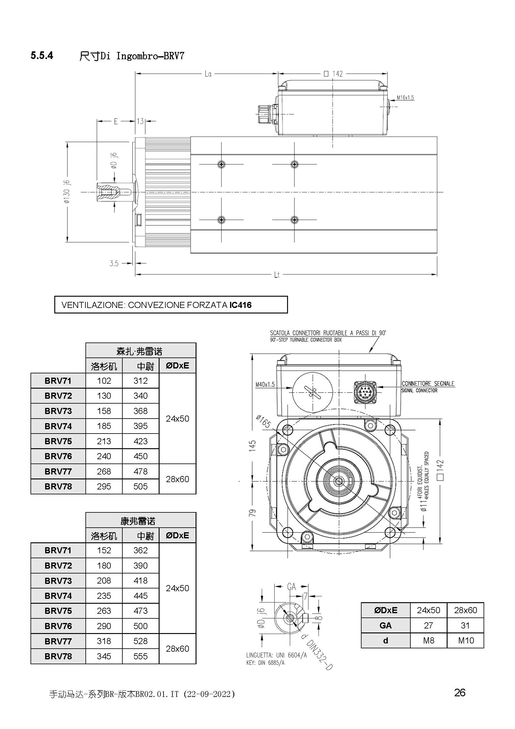
主要型号:BR120,553
BR140,871
BR161,193
BR221,160
BR241,985

BR262,415
BR28343
BR51221
BR52442
BR535,467
BR546,993
BR558,224
BR569,358
BR5710,482
BR5811,506
BR715,8228,1295
BR72117515,448
BR7315,32821,400
BR7419,58127,353
BR7522,53531,507
BR76269236,464
BR7730524225
BR78341647,690
BR82306248.026
BR8457.14385.309
BR8680.436115.612
BR88105.754147.938
BR9292.572120.787
BR94179.369236.603
BR96255.992338.251
BR98332.914442.181
Brushlessmotors-BRseries-EXPORT
Validfrom01/01/2015to31/12/2015
